(1)T型对焊连接直通式过滤器(CJTI-W型)(DN50~400,PN≤5.0MPa)
(2)T型法兰连接直通式过滤器(CJTI-F型)(DN50~400,PN≤5.0MPa)

CJTI-W、CJTI-F型
|
DN |
CJTI-W型 |
CJTI-F型 |
N |
|
L |
Do |
H |
L |
H |
|
系列A |
系列B |
|
50 |
128 |
60.3 |
57 |
175 |
230 |
170 |
Rc3/8 |
|
65 |
152 |
76.1 |
76 |
195 |
260 |
170 |
|
80 |
172 |
88.9 |
89 |
210 |
290 |
180 |
|
100 |
210 |
114.3 |
108 |
230 |
350 |
200 |
|
125 |
248 |
139.7 |
133 |
310 |
390 |
230 |
|
150 |
286 |
168.3 |
159 |
335 |
435 |
250 |
Rc3/4 |
|
200 |
356 |
219.1 |
219 |
400 |
540 |
310 |
|
250 |
432 |
273 |
273 |
450 |
640 |
370 |
M20x1.5 |
|
300 |
508 |
323.9 |
325 |
535 |
745 |
425 |
|
350 |
558 |
355.6 |
377 |
580 |
800 |
460 |
|
400 |
610 |
406.4 |
426 |
640 |
900 |
520 |
注:用户在订货时清注明三通壁厚系列
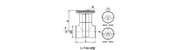
(3)T型对焊连接折叠直通式过滤器(CJTMI-W型)(DN200~500,PN≤5.0MPa)
CJTMI-W型
|
DN |
D0 |
L |
H |
N |
|
系列A |
系列B |
|
200 |
219.1 |
219 |
356 |
380 |
M20×1.5 |
|
250 |
273 |
273 |
432 |
520 |
|
300 |
323.9 |
325 |
508 |
580 |
|
350 |
355.6 |
377 |
558 |
700 |
|
400 |
406.4 |
426 |
610 |
760 |
|
500 |
508 |
529 |
762 |
920 |
(4)T型对焊连接正折流式过滤器(CJTII-W型)(DN50~400,PN≤5.0MPa)
(5)T型对焊连接反折流式过滤器(CJTIII-W型)(DN50~400,PN≤5.0MPa)

CJTII-W,CJTIII-W型
|
DN |
Do |
L |
H |
L1 |
N |
|
系列A |
系列B |
|
50 |
60.3 |
57 |
300 |
64 |
165 |
Rc3/8 |
|
65 |
76.1 |
76 |
340 |
76 |
185 |
|
80 |
88.9 |
89 |
370 |
86 |
195 |
|
100 |
114.3 |
108 |
425 |
105 |
220 |
|
125 |
139.7 |
133 |
465 |
124 |
240 |
|
150 |
168.3 |
159 |
520 |
143 |
270 |
Rc3/4 |
|
200 |
219.1 |
219 |
630 |
178 |
320 |
|
250 |
273 |
273 |
740 |
216 |
370 |
M20×1.5 |
|
300 |
323.9 |
325 |
845 |
254 |
420 |
|
350 |
355.6 |
377 |
910 |
279 |
450 |
|
400 |
406.4 |
426 |
1040 |
305 |
520 |
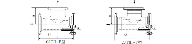
(6)T型法兰连接正折流式过滤器(CJTII-F型)(DN50~400,PN≤5.0MPa)
(7)T型法兰连接反折流式过滤器(CJTIII-F型)(DN50~400,PN≤5.0MPa)
|
DN |
L |
H |
L1 |
N |
|
50 |
300 |
165 |
165 |
Rc3/8 |
|
65 |
340 |
185 |
185 |
|
80 |
370 |
195 |
195 |
|
100 |
425 |
195 |
220 |
|
125 |
465 |
195 |
240 |
|
150 |
520 |
215 |
270 |
|
200 |
630 |
270 |
320 |
Rc3/4 |
|
250 |
740 |
320 |
370 |
|
300 |
845 |
370 |
420 |
M20×1.5 |
|
350 |
910 |
400 |
450 |
|
400 |
1040 |
450 |
520 |
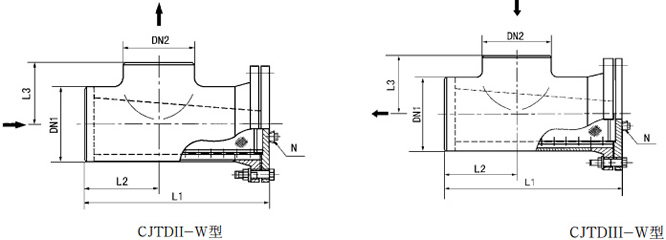
(8)T型异径对焊连接正折流式过滤器(CJTDII-W型)(DN50~400,PN≤5.0MPa)
(9)T型异径对焊连接反折流式过滤器(CJTDIII-W型)(DN50~400,PN≤5.0MPa)

CJTDII-W, CJTDIII-W型
|
DN1×DN2 |
DN1×DN2 |
L2 |
L3 |
L1 |
N |
|
系列A |
系列B |
PN2.0 |
PN2.5 |
PN4.0 |
PN5.0 |
PN10.0 |
|
50×40 |
60.3×48.3 |
57×45 |
64 |
60 |
213 |
202 |
202 |
222 |
228 |
Rc3/8 |
|
80×50 |
88.9×60.3 |
89×57 |
86 |
76 |
268 |
216 |
263 |
282 |
289 |
|
80×65 |
88.9×76.1 |
89×76 |
86 |
83 |
268 |
261 |
263 |
282 |
289 |
|
100×65 |
114.3×76.1 |
108×76 |
105 |
95 |
312 |
304 |
314 |
330 |
352 |
|
100×80 |
114.3×88.9 |
108×89 |
105 |
98 |
312 |
304 |
314 |
330 |
352 |
|
150×100 |
168.3×114.3 |
159×108 |
143 |
130 |
402 |
392 |
394 |
423 |
453 |
Rc3/4 |
|
200×100 |
219.1×114.3 |
219×108 |
178 |
156 |
489 |
469 |
487 |
510 |
546 |
|
250×150 |
273×168.3 |
273×159 |
216 |
194 |
566 |
550 |
579 |
599 |
649 |
M20×1.5 |
|
250×200 |
273×219.1 |
273×219 |
216 |
203 |
566 |
550 |
579 |
599 |
649 |
|
300×250 |
323.9×273 |
325×273 |
254 |
241 |
656 |
632 |
670 |
691 |
732 |