
取样冷却器适用于温度较高的液体和气体等介质取样,具有结构紧凑、传热效率高、清洗方便、使用寿命长等优点,广泛用于石油、化工、电力等部门的、加热、换热,冷却器也可做为油泵的自封冷却器。
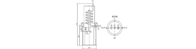
1、单一相取样冷却器CJXW-IA
单一相取样冷却器主要性能表
|
管 道 |
设计压力 |
3.92MPa |
壳 程 |
设计压力 |
常压 |
|
设计温度 |
350℃ |
设计温度 |
60℃ |
|
操作介质 |
/ |
操作介质 |
水 |
|
换热面积:0.084㎡ |
单一相取样冷却器管口说明表
|
项目型号 |
操作介质 |
盘管材质 |
设备开口DN |
|
1 |
2 |
3 |
4 |
5 |
|
CJXW-I-1 |
油品 |
20 |
15 |
15 |
20 |
25 |
G1/2 |
|
CJXW-I-2 |
含硫油品 |
1Cr18Ni9Ti |
15 |
15 |
20 |
25 |
G1/2 |
|
CJXW-I-3 |
油气 |
20 |
15 |
8 |
20 |
25 |
G1/2 |
|
CJXW-I-4 |
含硫油气、氢气 |
1Cr18Ni9Ti |
15 |
8 |
20 |
25 |
G1/2 |

注:CJXW-IA-3、4型开口②上带Φ8缩口。
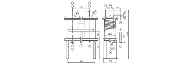
2、双联取样冷却器CJXW-IB
双联取样冷却器主要性能表
|
管 道 |
设计压力 |
0.58MPa |
壳 程 |
设计压力 |
0.58MPa |
|
设计温度 |
172℃ |
设计温度 |
60℃ |
|
操作介质 |
汽、水 |
操作介质 |
水 |
|
换热面积:1.04m2 |

双联取样冷却器管口说明表
|
编号 |
名称 |
数量 |
公称通径(mm) |
公称压力PN |
备注 |
|
1 |
水蒸汽入口 |
2 |
10 |
|
|
|
2 |
水蒸汽出口 |
2 |
10 |
|
|
|
3 |
冷却水入口 |
1 |
40 |
2.0 |
|
|
4 |
冷却水出口 |
1 |
40 |
2.0 |
|
|
5 |
排水口 |
1 |
50 |
|
|
|
6 |
上排空口 |
2 |
G1/2 |
|
带管塞 |
|
7 |
下排空口 |
2 |
G1/2 |
|
带管塞 |
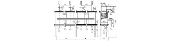
3、四联取样冷却器CJXW-IC
四联取样冷却器主要性能表
|
管 道 |
设计压力 |
4.62MPa |
壳 程 |
设计压力 |
0.58MPa |
|
设计温度 |
275℃ |
设计温度 |
60℃ |
|
操作介质 |
汽、水 |
操作介质 |
水 |
|
换热面积:2.08m2 |
四联取样冷却器管口说明表

|
编号 |
名称 |
数量 |
公称通径(mm) |
公称压力PN |
备注 |
|
1 |
水蒸汽入口 |
4 |
10 |
|
|
|
2 |
水蒸汽出口 |
4 |
10 |
|
|
|
3 |
冷却水入口 |
1 |
40 |
2.0 |
|
|
4 |
冷却水出口 |
1 |
40 |
2.0 |
|
|
5 |
排水口 |
1 |
50 |
|
|
|
6 |
上排空口 |
2 |
G1/2 |
|
带管塞 |
|
7 |
下排空口 |
2 |
G1/2 |
|
带管塞 |