CJXM型密闭式采样器
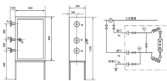
CJXM型密闭式采样器,主要由箱体、采样瓶、缓冲罐、快换手轮、压力表、阀门、密封件及法兰组成。 结构特点 由于采样瓶与工艺管之间用带有快换手轮连接,因此,操作简单、迅速、方便。 技术参数适用范围 (1)CJXM-IA型液体密闭式采样器 适用范围:适用于各种有毒、有害、易燃、易爆等各种液体介质的采样。 技术参数:采样温度:-20~60℃,设计压力:0~10.0MPa,采样量:100ml
注:N1、N2、N3管口为DN15 PN1.6~?0.0 (2)CJXM-IB型液体密闭式采样器 适用范围:适用于种种有毒、有害、易燃、易爆等各种液体介质的采样。 技术参数:采样温度:-20~400℃,设计压力:0~10.0MPa,采样量:100ml
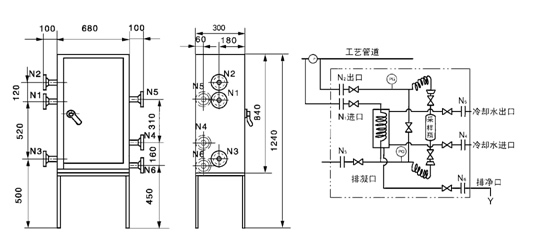
注:N1、N2、N3管口为DN15 PN1.6~10.0 (3)CJXM-IIA型液体密闭式采样器 适用范围:适用于种种有毒、有害、易燃、易爆等各种液体介质的采样。 技术参数:使用温度:-20~50℃,设计压力:0~10.0MPa,采样量:200ml~500ml
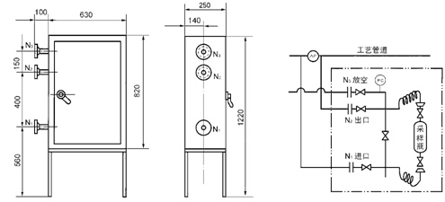
注:N1、N2、N3管口为DN15 PN1.6~10.0 (4)CJXM-IIB型气体密闭式采样器 适用范围:适用于种种有毒、有害、易燃、易爆等各种气体介质的采样。 技术参数:采样温度:-20~400℃,设计压力:0~10.0MPa,采样量:200ml~500ml
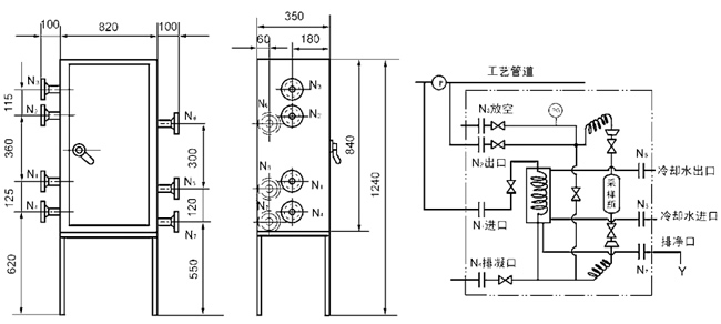
注:N1、N2、N3、N4管口为DN15 PN1.6~10.0 订货须知 2、请注明连接面法兰标准。
|





