产品概述
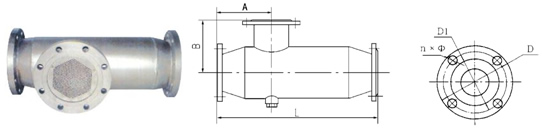
CJH系列汽水混合器是新型节能环保产品,它是利用蒸汽与水直接混合将水加热,具有低噪声、无振动、热交换效率高、节省能源等特点,被广泛地使用在加热生活、生产用水及热水采暖和热力除氧等系统中。该混合器主要由喷管、壳体、网板、垫圈等部分组成。被加热水通过呈拉伐尔状的喷管时,蒸汽从喷管外侧通过管壁上许多斜向小喷头喷入水中,二者在高速流动中瞬间良好混合,以达到加热的目的。

产品型号
|
型号 |
CJH |
|
4 |
6 |
8 |
10 |
12 |
16 |
20 |
24 |
32 |
40 |
48 |
64 |
|
安装 尺寸 |
A |
105 |
130 |
220 |
450 |
|
B |
105 |
130 |
170 |
300 |
|
L |
240 |
360 |
660 |
1200 |
|
水侧 连接 法兰 |
Dg |
32 |
50 |
100 |
200 |
|
D1 |
110 |
145 |
210 |
355 |
|
D |
145 |
180 |
245 |
405 |
|
n×φ |
4×18 |
4×18 |
8×18 |
12×22 |
|
汽侧 连接 法兰 |
Dg |
40 |
65 |
125 |
250 |
|
D1 |
110 |
145 |
210 |
355 |
|
D |
145 |
180 |
245 |
405 |
|
n×φ |
4×18 |
4×18 |
8×18 |
12×22 |
开式系统蒸汽消耗量表(饱和蒸汽压力为o,4Mpa) 单位:t/h
|
CJH |
4 |
6 |
8 |
10 |
12 |
16 |
20 |
24 |
32 |
40 |
48 |
|
额定进水流量 |
1.2 |
2.5 |
4.5 |
7.0 |
10 |
16 |
25 |
35 |
60 |
105 |
165 |
|
加热温差℃ |
20 |
0.039 |
0.081 |
0.146 |
0.228 |
0.325 |
0.520 |
0.813 |
1.138 |
1.951 |
3.145 |
5.366 |
|
40 |
0.081 |
0.188 |
0.303 |
0.470 |
0.672 |
1.076 |
1.681 |
2.353 |
4.034 |
7.057 |
11.092 |
|
60 |
0.125 |
0.261 |
0.459 |
0.730 |
1.043 |
1.669 |
2.609 |
3.652 |
6.261 |
10.952 |
17.217 |
|
80 |
0.173 |
0.360 |
0.649 |
1.009 |
1.441 |
2.306 |
3.603 |
5.045 |
8.649 |
15.135 |
23.748 |
循环系统蒸汽消耗量表(饱和蒸汽压力为o,4Mpa) 单位:t/h
CJH |
4 |
6 |
8 |
10 |
12 |
16 |
20 |
24 |
32 |
40 |
48 |
额定进水流量 |
1.2 |
2.5 |
4.5 |
7.0 |
10 |
16 |
25 |
35 |
60 |
105 |
165 |
加热温差℃ |
70-95 |
0.054 |
0.112 |
0.201 |
0.312 |
0.446 |
0.520 |
1.116 |
1.562 |
2.678 |
4.687 |
7.366 |
70-110 |
0.088 |
0.183 |
0.330 |
0.514 |
0.734 |
1.174 |
1.830 |
2.569 |
4.404 |
7.706 |
12.110 |
70-130 |
0.137 |
0.286 |
0.454 |
0.800 |
1.143 |
1.829 |
2.857 |
4.000 |
6.857 |
12.000 |
18.857 |