技术参数
|
型号 |
CJKII-1 |
CJKII-2 |
CJKII-4 |
CJKII-6 |
CJKII-9 |
|
过滤级别 |
G3~U17 |
G3~U17 |
G3~U17 |
G3~U17 |
G3~U17 |
|
额定流量Nm3/h |
3400 |
6800 |
13600 |
20400 |
30600 |
|
过滤效率% |
65~99.99 |
65~99.99 |
65~99.99 |
65~99.99 |
65~99.99 |
|
初始压降Pa |
20~40 |
20~40 |
20~40 |
20~40 |
20~40 |
|
推荐最终压降Pa |
200 |
200 |
250 |
300 |
300 |
|
耐热性℃ |
80 |
80 |
80 |
80 |
80 |
|
耐湿性,相对温度% |
100 |
100 |
100 |
100 |
100 |

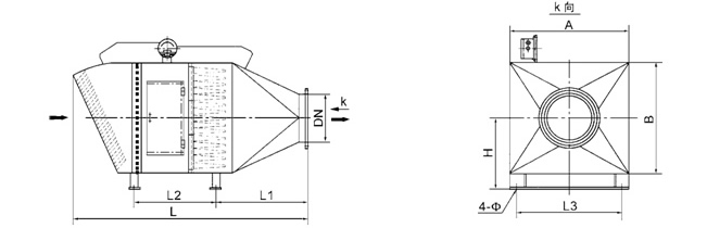
安装尺寸表
|
型号 |
CJKII-1 |
CJKII-2 |
CJKII-4 |
CJKII-6 |
CJKII-9 |
|
DN |
DN300 |
DN400 |
DN500 |
DN600 |
DN700 |
|
L |
1850 |
2200 |
2350 |
2800 |
3050 |
|
L1 |
550 |
700 |
700 |
900 |
950 |
|
L2 |
800 |
800 |
800 |
1000 |
1100 |
|
L3 |
450 |
450 |
1000 |
1000 |
1520 |
|
A |
740 |
740 |
1300 |
1330 |
1920 |
|
B |
740 |
1330 |
1300 |
1920 |
1920 |
|
H |
470 |
815 |
815 |
1110 |
1110 |
|
4-Φ |
4-Φ20 |
4-Φ20 |
4-Φ24 |
4-Φ24 |
4-Φ24 |
说明:空气过滤器种类繁多,参数不尽相同,表中参数尺寸均可被修改,请将下列参数传真或致电本公司,我公司将为你提供最合适的机型。
1、空气流量(Nm3/h)2、风压(KPa)3、过滤等级4、过滤效率(%)5、含尘量(g/m3)

中国、美国、欧洲效率规格近似对照表
|
中国GB/T14295 |
粗效 |
中效 |
高中效 |
|
美国ASHRAE |
C1 |
C2,3,4 |
L5 |
L6 |
L7 |
LA8 |
M9 |
M10 |
M11 |
M12 |
H13 |
H14 |
|
欧洲CEN |
G1 |
G2 |
G3 |
G4 |
F5 |
F6 |
F6 |
F7 |
F8 |
|
欧洲EUROVENT |
EU1 |
EU2 |
EU3 |
EU4 |
EU5 |
EU6 |
EU6 |
EU7 |
EU8 |
|
中国GB/T14295 |
亚高效 |
高效 |
|
美国ASHRAE |
H15 |
H16 |
UH17 |
UH18 |
UH19 |
UH20 |
|
欧洲CEN |
F9 |
H10 |
H11 |
H12 |
H13 |
H14 |
H15~17 |
|
欧洲EUROVENT |
EU9 |
EU10 |
EU11 |
EU12 |
EU13 |
EU14 |