1、纤维烧结滤芯精细过滤器CJHN-I型
CJHN-I型精细过滤器,其滤件采用特定的短纤维烧结滤芯,具有处理量大,使用寿命长、过滤精度高等优点。用于液体过滤,过滤精度1~125μm。
CJHN-I型精细过滤器主要应用实例
—天然气开采的胺脱硫加工流程中贫胺、富胺过滤;
—原油开采中,工业污水过滤、注水过滤;
—石油精炼的轻质燃油加工流程中,如石脑油、清烃油、柴油、汽油、急冷水等过滤;
—化工生产的工厂进水、工艺水、树脂、溶剂过滤。
2、线缠绕式滤芯精细过滤器CJHN-II型
CJHN-II型精细过滤器其滤件采用纺织纤维纱缠绕式滤芯,具有过滤能力强,纳污能力大,适用于范围广等优点,主要用于液体过滤,过滤精度为0.5~100μm。
CJHN-II型精细过滤器主要应用实例
—芳烃抽提工艺流程中各类溶剂过滤,如环丁砜,二乙二醇醚、三乙二醇醚、四乙二醇醚、二甲基亚砜等;
—加氢脱硫工艺流程中贫液、富液过滤;
—聚酯行业中,C5~C10脘类、烃类过滤;
—化工、轻工行业:工业水、高质量油墨、油漆等过滤;
—天然气过滤。
3、聚丙烯折叠式滤芯精细过滤器CJHN-III型
CJHN-III型精细过滤器,其滤件采用FN-C型聚丙烯折叠式滤芯,具有过滤精度高,处理量大等优点,可用于液体、气体过滤,过滤精度为0.1~60μm.。
CJHN-III型精细过滤器主要应用实例
—天然气开采中天然气及洗气用的胺过滤;
—制药行业:无菌水、气体除菌,各种输液最终过滤;
—化学工业:有机溶剂、醇等过滤;
—食用工业:食用油,发酵罐空气过滤等。
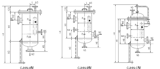
CJHN型精细过滤器典型结构与尺寸

CJHN—A型
|
代号 |
滤芯数 (个) |
安装尺寸(mm) |
接管规格DN |
|
A |
H1 |
H2 |
H3 |
H4 |
H5 |
D |
L |
N1 |
N2 |
N3 |
N4 |
N5 |
|
CJHN-A-01 |
4 |
1520 |
610 |
300 |
400 |
60 |
150 |
Ф168 |
50 |
20/25 |
20/25 |
20 |
20 |
20 |
|
CJHN-A-02 |
6 |
1770 |
860 |
|
CJHN-A-03 |
8 |
1570 |
610 |
300 |
450 |
60 |
180 |
Ф219 |
60 |
20/40 |
20/40 |
20 |
20 |
20 |
|
CJHN-A-04 |
12 |
1820 |
860 |
|
CJHN-A-05 |
12 |
1570 |
610 |
300 |
450 |
60 |
190 |
Ф273 |
80 |
25/50 |
25/50 |
20 |
20 |
20 |
|
CJHN-A-06 |
18 |
1820 |
860 |
|
CJHN-A-07 |
24 |
2070 |
1110 |
500 |
|
CJHN-A-08 |
20 |
1610 |
620 |
300 |
480 |
70 |
200 |
Ф308 |
100 |
25/50 |
25/50 |
20 |
20 |
20 |
|
CJHN-A-09 |
30 |
1860 |
870 |
|
CJHN-A-10 |
40 |
2110 |
1120 |
500 |
|
CJHN-A-11 |
36 |
1640 |
630 |
300 |
500 |
80 |
230 |
Ф12 |
120 |
40/80 |
40/80 |
20 |
20 |
25 |
|
CJHN-A-12 |
54 |
1890 |
880 |
|
CJHN-A-13 |
72 |
2140 |
1130 |
500 |
|
CJHN-A-14 |
48 |
1720 |
630 |
300 |
580 |
80 |
250 |
Ф512 |
150 |
50/100 |
50/100 |
20 |
20 |
25 |
|
CJHN-A-15 |
72 |
1970 |
880 |
|
CJHN-A-16 |
96 |
2220 |
1130 |
500 |
注:滤芯数指折合标准型滤芯(10”长)数目;CJHN-A-08~CJHN-A-16平盖为吊臂移动式。
CJHN—B
|
代号 |
滤芯数 (个) |
安装尺寸(mm) |
接管规格DN |
|
A |
H1 |
H2 |
H3 |
H4 |
H5 |
D |
L |
N1 |
N2 |
N3 |
N4 |
N5 |
|
CJHN-B-01 |
4 |
1580 |
690 |
300 |
380 |
140 |
60 |
Ф168 |
50 |
20/25 |
20/25 |
20 |
20 |
20 |
|
CJHN–B-02 |
6 |
1830 |
940 |
|
CJHN-B-03 |
8 |
1620 |
720 |
300 |
380 |
170 |
80 |
Ф219 |
60 |
20/40 |
20/40 |
20 |
20 |
20 |
|
CJHN-B-04 |
12 |
1850 |
970 |
|
CJHN-B-05 |
12 |
1650 |
745 |
300 |
390 |
195 |
100 |
Ф273 |
80 |
25/50 |
25/50 |
20 |
20 |
20 |
|
CJHN-B-06 |
18 |
1900 |
995 |
|
CJHN-B-07 |
24 |
2150 |
1245 |
500 |
|
CJHN-B-08 |
20 |
1660 |
745 |
300 |
400 |
195 |
100 |
Ф308 |
100 |
25/50 |
25/50 |
20 |
20 |
20 |
|
CJHN-B-09 |
30 |
1910 |
995 |
|
CJHN-B-10 |
40 |
2160 |
1245 |
500 |
|
CJHN-B-11 |
36 |
1730 |
790 |
300 |
430 |
240 |
130 |
Ф412 |
120 |
40/80 |
40/80 |
20 |
20 |
25 |
|
CJHN-B-12 |
54 |
1980 |
1040 |
|
CJHN-B-13 |
72 |
2230 |
1290 |
500 |
|
CJHN-B-14 |
48 |
1770 |
810 |
300 |
450 |
260 |
140 |
Ф512 |
150 |
50/100 |
50/100 |
20 |
20 |
25 |
|
CJHN-B-15 |
72 |
2020 |
1060 |
|
CJHN-B-16 |
96 |
2270 |
1310 |
500 |
注:滤芯数指折合标准型滤芯(10”长)数目;CJHN-B-08~CJHN-B-16平盖为吊臂移动式。
CJHN—C型
|
代号 |
滤芯数(个) |
安装尺寸(mm) |
接管规格DN |
|
A |
H1 |
H2 |
H3 |
H4 |
H5 |
H6 |
D |
N1 |
N2 |
N3 |
N4 |
N5 |
P1-2 |
|
CJHN-C-01 |
48 |
1770 |
1260 |
810 |
300 |
140 |
236 |
260 |
Ф512 |
50/100 |
50/100 |
20 |
20 |
25 |
M20X1.5 |
|
CJHN–C-02 |
72 |
2020 |
1510 |
1060 |
|
CJHN-C-03 |
74 |
2270 |
1760 |
1310 |
500 |
|
CJHN-C-04 |
74 |
1940 |
1430 |
920 |
300 |
200 |
260 |
365 |
Ф612 |
80/150 |
80/150 |
20 |
20 |
25 |
|
CJHN-C-05 |
111 |
2190 |
1680 |
1170 |
|
CJHN-C-06 |
148 |
2440 |
1930 |
1420 |
500 |
|
CJHN-C-07 |
120 |
2010 |
1500 |
920 |
300 |
200 |
330 |
365 |
Ф816 |
100/150 |
100/150 |
20 |
20 |
25 |
|
CJHN-C-08 |
180 |
2260 |
1750 |
1170 |
|
CJHN-C-09 |
240 |
2510 |
2000 |
1420 |
500 |
|
CJHN-C-10 |
210 |
2130 |
1620 |
990 |
300 |
240 |
380 |
440 |
Ф1020 |
100/200 |
100/200 |
25 |
25 |
25 |
|
CJHN-C-11 |
315 |
2380 |
1870 |
1240 |
|
CJHN-C-12 |
420 |
2630 |
2120 |
1490 |
500 |
|
CJHN-C-13 |
280 |
2290 |
1785 |
1100 |
300 |
300 |
435 |
550 |
Ф1224 |
150/300 |
150/300 |
25 |
25 |
25 |
|
CJHN-C-14 |
420 |
2540 |
2035 |
1350 |
|
CJHN-C-15 |
560 |
2790 |
2285 |
1600 |
500 |
注:滤芯数指折合标准型滤芯(10”长)数目。