
产品概述
袋式精细过滤器是由容器、滤袋、支撑网篮三部分构成一个简便、高效、通用的液体过滤系统。需要过滤的流体,由上口进入滤袋,液体中的固态物质会被阻留在袋内,从而得到清洁的流体,由于其使用简便,经济合理,因而广泛用于石油产品、油漆、食品及饮料、污水等方面过滤。袋式精细过滤器具有高流通能力、高过滤精度、低成本、操作简便快速等特点,适用于任何微细颗粒(少于1000ppm)的过滤,精度范围可从1至1000μm及1至1000m3/h的液体过滤。
型号标注

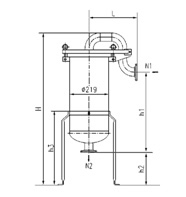
1、单袋式精细过滤器CJHB-1型
|
型号 |
流量 m3/h |
过滤面积m2 |
安装尺寸mm |
|
H |
L |
h1 |
h2 |
h3 |
|
CJHB-IA |
18 |
0.24 |
965-1110 |
300 |
380 |
120-265 |
465 |
|
CJHB-IB |
36 |
0.48 |
1230-1725 |
300 |
710 |
0-495 |
695 |
注:①表中所列流量以水为我介质,
②设备工作压力≤1.0MPa,
③进出口接管规格:DN50、PN1.6。
2、多袋式精细过滤器CJHB-II型
①四袋式精细过滤器CJHB-4II

②五至八只袋式:精细过滤器CJHB-5~8II型
|
型号 |
流量 m3/h |
安装尺寸mm |
|
H |
h1 |
h2 |
h3 |
h4 |
L1 |
L2 |
D |
|
CJHB-5II |
180 |
1800 |
780 |
580 |
200 |
300 |
340 |
520 |
Φ650 |
|
CJHB -6II |
216 |
|
CJHB -7II |
252 |
2050 |
780 |
790 |
290 |
300 |
260 |
500 |
Φ800 |
|
CJHB -8II |
288 |
注:①表中所列流量以水为介质,工作压力≤1.0MPa
②进出口N1、N2接管规格,CJHB-5、6II为DN100、PN1.6,
CJHB-7、8II为DN150、PN1.6
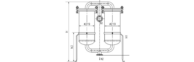
3、并联式精细过滤器CJHB-III型
|
型号 |
流量 m3/h |
安装尺寸mm |
|
H |
h1 |
h2 |
h3 |
|
CJHB -IIIA |
36 |
1040-1190 |
500 |
210-360 |
695 |
|
CJHB -IIIB |
72 |
1175-1540 |
850 |
0-360 |
注:①表中所列流量以水为介质,工作压力≤1.0MPa
②进出口接管规格:DN65、PN1.6
应用领域
|
石油化工
- 肮空煤油及润滑油的过滤
- 石油及燃油添加剂的过滤
- 油品回收
- 石油及天然气脱水溶剂的过滤
- PVC生产中的液体及气体过滤
|
水处理
- 海水去除颗粒
- 离子交换树脂回收
- 冷却装置中系统净化
- 管道结垢的清理
- PVC生产中液体及气体过滤
- 用于水处理的化学品过滤
- 城市供水的滤清
- 钙结晶的去除
- 油田注水和完井液的过滤
|
精细化工
- 催化剂回收
- 去除表面活性剂结晶盐份
- X-射式悬物的滤清
- 洗涤剂的滤清
- 化妆品原料及成品的过滤
|
|
化学品
- 催化剂回收
- 酸、碱和溶剂的滤清
- 碳墨及助滤剂的去除
- 管道结垢的去除
- 乳液和悬浮液的过滤
|
|
食品及饮料 1、啤酒中Polyclar的过滤 2、葡萄酒、威士忌和啤酒的抛光过滤 3、烹饪油中杂质颗粒的去除 4、去除纤维素中的碳黑 5、玉米糖浆的抛光过滤 6、动植物提取液的滤清 7、食用醋和酱油的抛光过滤 8、听罐涂层的涂料过滤 9、洗瓶用碱洗液的过滤 |
|
涂料和油漆
- 去除悬浮凝结块
2、去除油漆凝结块 3、去除油漆中的结快 4、溶剂的过滤 5、贮罐污物的去除 6、球磨机填塞物的去除 |
|
粘结剂
- 从丙烯酸粒剂中去除凝胶
- 树脂及结晶物的去除
- 去除胶性涂料中的凝结块
- 热溶聚合物的过滤
5、去除悬乳液中的PVA凝结块 |
滤袋特征表
|
滤袋材料 |
抗化学性能 |
耐温℃ |
|
水 |
脂肪族 |
方香族 |
碱性 |
浓碱 |
酸性 |
强酸 |
|
聚丙烯 |
△ |
|
△ |
△ |
△ |
△ |
110 |
|
|
羊毛 |
△ |
△ |
△ |
|
|
|
|
135 |
|
粘胶纤维 |
△ |
△ |
△ |
|
△ |
|
160 |
|
|
聚酯 |
△ |
△ |
△ |
△ |
|
△ |
△ |
190 |
|
尼龙 |
△ |
△ |
△ |
△ |
△ |
|
|
190 |
|
聚芳酰胺 |
△ |
△ |
△ |
△ |
|
|
245 |
|
|
聚四氟乙烯 |
△ |
△ |
△ |
△ |
△ |
△ |
260 |
|
注:△表示性能优异。
滤袋参数
